przewód chłodnicy do pompy wody orlando

Dostępność: na wyczerpaniu
Wysyłka w: 2-14 dni
Cena: 255,31 zł 255.31
ilość szt.
Zyskujesz 20 pkt [?]
dodaj do ulubionych
Producent: CHEVROLET
Kod produktu: 95390894|95390894

Opis

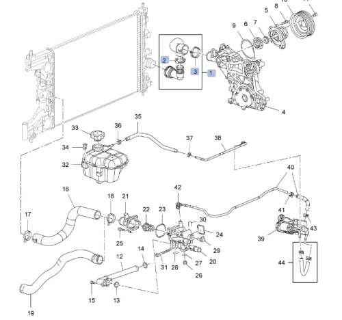
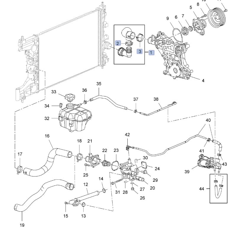
Nowy oryginalny przewód wody od chłodnicy do pompy wody do samochodu Chevrolet Orlando z silnikiem 1,8.

Masz pytanie?

Nie jesteś pewien, czy ta część pasuje do Twojego samochodu? Skontaktuj się z nami, a dobierzemy części po numerze VIN do Twojego Opla:

Krzysztof Rachwał
tel. 32 307 49 99
tel kom. 606 522 011
e-mail: info@doopla.pl

Godziny otwarcia:
Poniedziałek-Piątek: 900-1700

zapytaj o produkt
do góry
Sklep jest w trybie podglądu
Pokaż pełną wersję strony
Sklep internetowy Shoper.pl