Koniec z zagraconą przestrzenią! Odkryj Wieszak Ścienny THULE Wall Hanger
Chaos w strefie sprzętu? Sprawdź jak wieszak THULE rozwiązuje powszechny problem miłośników sportów.
Każdy entuzjasta sportów rowerowych czy sportów zimowych doskonale zna ten scenariusz: adrenalina po treningu mija, a zostaje problem logistyczny. Rower czeka na kolejną trasę, a narty i snowboard na zimowe szaleństwo. Gdzie to wszystko pomieścić?


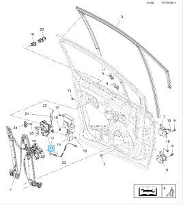
Drzwi/elementy drzwi do Opel Meriva B. Tylko nowe i oryginalne elementy. Zobacz również inne
Opcje przeglądania
Oryginalne
Dostawa
Zwrot
Profesjonalne